秦先生第四部琪琪结局,战神小利约180高清在线观看,床上108种扦插方法视频

`
编码器
    增量式编码器系列
    绝对式编码器系列
拉线编码器
    小量程
    中量程
    大量程
拉绳编码器
拉线位移传感器
磁栅尺
    磁栅尺
    磁栅尺磁头
    位置指示器
    

济南光宇自动化设备有限公司
联系人: 李经理
电 话: 86 0531 88060803

传 真: 86 0531 88060864

地 址: 中国 山东 济南市 济南市历城区荣盛时代国际广场1号楼1001

磁栅尺-磁栅尺磁头 >>

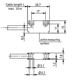
德国SIKO按装尺寸最小磁头MSK5000T

德国SIKO尺寸最小磁头MSK5000T

  • 最大分辨率可达5 μm
  • ±1个增量的重复精度
  • 等间隔连续指针信号

·         安装简单

·         不易受灰尘,划痕,潮湿影响

·         防护等级 IP67

MB500磁栅尺配合工作

返回

Copyright by 2012 济南光宇自动化设备有限公司 ALL Rights Reserved
电话:0531—88060803 传真:0531—88060864  邮编:250100  邮箱:jinanguangyu@126.com
地址:中国山东济南市荣盛时代国际广场1号楼1001 Power by 公司提供 拉线编码器 拉绳编码器 编码器 拉线位移传感器 拉绳位移传感器 绝对值编码器 联轴器 磁栅尺 光栅数显改造等相关产品。技术支持:

友情链接: 拉线编码器  光栅数显系统改造 磁栅尺 
工信部备案号码:鲁ICP备12011799号-7
`
主站蜘蛛池模板: 金平| 丰县| 黄冈市| 大渡口区| 武隆县| 西充县| 轮台县| 桦甸市| 四川省| 礼泉县| 昌平区| 九寨沟县| 岢岚县| 宁晋县| 石阡县| 谢通门县| 陆河县| 沭阳县| 盐池县| 新乐市| 台江县| 广平县| 光泽县| 邵武市| 芜湖市| 连城县| 高唐县| 伊春市| 浮山县| 万源市| 方正县| 巴林右旗| 龙口市| 曲沃县| 夏津县| 沁水县| 轮台县| 木里| 桐乡市| 濉溪县| 信阳市|