秦先生第四部琪琪结局,战神小利约180高清在线观看,床上108种扦插方法视频

`
编码器
    增量式编码器系列
    绝对式编码器系列
拉线编码器
    小量程
    中量程
    大量程
拉绳编码器
拉线位移传感器
磁栅尺
    磁栅尺
    磁栅尺磁头
    位置指示器
    

济南光宇自动化设备有限公司
联系人: 李经理
电 话: 86 0531 88060803

传 真: 86 0531 88060864

地 址: 中国 山东 济南市 济南市历城区荣盛时代国际广场1号楼1001

编码器-绝对式编码器系列 >>

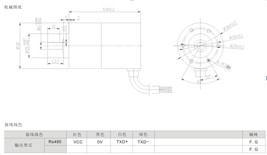
经济型机械多圈系列绝对值编码器GYS38-002

经济型机械多圈系列绝对值编码器GYS38-002

外径38  轴径6 止口20 防护等级根据客户要求定做

进口高精密轴承,保证产品高速运转平稳
 
电源电压 5V 10-30V可选
 
绝对式测量单圈12位,多圈12
 
接口型式 RS232RS422 RS485等可选
 
输出码制 二进制Binary 格雷码Gray (可选)

掉电后有记忆,不用开机找零

返回

Copyright by 2012 济南光宇自动化设备有限公司 ALL Rights Reserved
电话:0531—88060803 传真:0531—88060864  邮编:250100  邮箱:jinanguangyu@126.com
地址:中国山东济南市荣盛时代国际广场1号楼1001 Power by 公司提供 拉线编码器 拉绳编码器 编码器 拉线位移传感器 拉绳位移传感器 绝对值编码器 联轴器 磁栅尺 光栅数显改造等相关产品。技术支持:

友情链接: 拉线编码器  光栅数显系统改造 磁栅尺 
工信部备案号码:鲁ICP备12011799号-7
`
主站蜘蛛池模板: 崇礼县| 桃园县| 武川县| 镇康县| 郁南县| 嘉荫县| 焦作市| 巴彦县| 扶余县| 罗江县| 公安县| 翼城县| 禄丰县| 内丘县| 喜德县| 昭苏县| 厦门市| 舒城县| 临武县| 于田县| 和林格尔县| 子长县| 怀安县| 贵港市| 卓资县| 民县| 双牌县| 江阴市| 大竹县| 黄骅市| 云霄县| 盐亭县| 新晃| 岗巴县| 常德市| 禹城市| 台南县| 郴州市| 洱源县| 濉溪县| 安平县|