秦先生第四部琪琪结局,战神小利约180高清在线观看,床上108种扦插方法视频

`
编码器
    增量式编码器系列
    绝对式编码器系列
拉线编码器
    小量程
    中量程
    大量程
拉绳编码器
拉线位移传感器
磁栅尺
    磁栅尺
    磁栅尺磁头
    位置指示器
    

济南光宇自动化设备有限公司
联系人: 李经理
电 话: 86 0531 88060803

传 真: 86 0531 88060864

地 址: 中国 山东 济南市 济南市历城区荣盛时代国际广场1号楼1001

磁栅尺-磁栅尺磁头 >>

磁头磁性测量系统MSK1000

磁性传感器 MSK1000

 

Contactless measuring sensor unit with integrated translation module and digital signal output. In combination with the magnetic band MB100, the sensor forms an open, robust and linear measuring system with high resolution at a reading distance of 0,4mm.

 

 

优点概览

特点

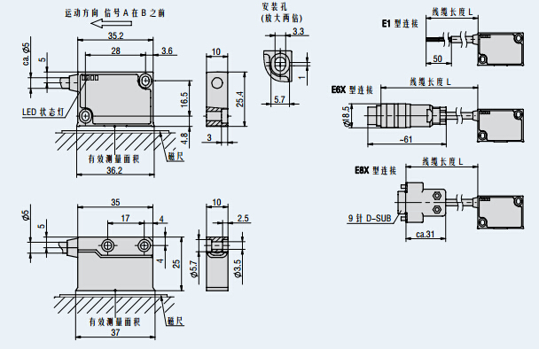
■ 分辨率达 0.2μm
■ 参数可通过红外接口编程(比如:分辨率)
■ LED状态灯
■ 实时信号处理
■ 固定或循环参考点
■ 坚固的金属外壳

 

 

产品附件
  ■ 匹配插头 GS MagLine

 

返回

Copyright by 2012 济南光宇自动化设备有限公司 ALL Rights Reserved
电话:0531—88060803 传真:0531—88060864  邮编:250100  邮箱:jinanguangyu@126.com
地址:中国山东济南市荣盛时代国际广场1号楼1001 Power by 公司提供 拉线编码器 拉绳编码器 编码器 拉线位移传感器 拉绳位移传感器 绝对值编码器 联轴器 磁栅尺 光栅数显改造等相关产品。技术支持:

友情链接: 拉线编码器  光栅数显系统改造 磁栅尺 
工信部备案号码:鲁ICP备12011799号-7
`
主站蜘蛛池模板: 新宾| 乐业县| 兴业县| 阜宁县| 汾西县| 兴国县| 隆安县| 伊吾县| 通州市| 尼勒克县| 化州市| 乌兰察布市| 巩留县| 水富县| 大英县| 奉贤区| 牡丹江市| 利川市| 涿鹿县| 公主岭市| 科技| 富宁县| 辽宁省| 高阳县| 彩票| 台安县| 枣庄市| 塘沽区| 三都| 娄烦县| 丹凤县| 漳州市| 博客| 锡林郭勒盟| 四平市| 化隆| 海盐县| 资中县| 高青县| 双柏县| 潼南县|